Multisim笔记
2023/7/22大约 3 分钟
Multisim笔记
目录
版本差异
版本差异只要体现在库中元器件的数量,常用三段稳压器lm317在学生版中没有,在工业加强版中有
版本别名
- 基本版就是学生版
- 完整版就是全功能版
- PowerPro就是工业加强版

快捷键
- 旋转:选中元件+ctrl+r
- 垂直翻转:选中元件+alt+x
搜素元器件
可以使用通配符*


在Multisim中找到常用国产元器件
Multisim的元件库中主要是日本和欧美的元器件厂商的元器件,没有国产的和韩国的

- (教材中的)国产二极管2ap9 性能近似 (Multisim中的)1n4001G
- (教材中的)国产三极管9013或 3dg6 性能近似 (Multisim中的)2n2222a
- (教材中的)国产运放f007性能近似 (Multisim中的)741
- (教材中的)国产CF324 性能近似 (Multisim中的)LM324

半导体器件命名规则


国产半导体命名规范
国产二极管命名规范
国产三极管命名规范
国产场效管命名规范
日产半导体命名规范


韩国半导体命名规范

美国半导体命名规范

万用表(multimeter)

不能带电测量电阻
直流档测交流时,显示值为有效值
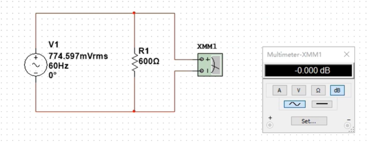
dB分贝测量(毫瓦功率耗散测量)(0dB=1mW)
774.597mV(rms有效值)交流电流过600欧姆负载为1mW为0dB
函数信号发生器(function generator)

- Vp 是峰值电压。峰值电压(peak voltage): 电压从零电压到最高点的电压称为峰值电压,也就是最大电压。
- offset偏置可以认为是叠加一个直流信号

示波器(Oscilloscope)

功率表(wattmeter)




